PV2R12 Series Double Vane Pumps 210 bar Designed for Industrial Equipment Requiring Various Pressure and Flow Combinations
The PV2R12 is classified as an industrial standard dual high-pressure pump due to its unique design of incorporating two pumps into one unit. The PV2R12 has become very popular due to its smooth and quiet operation, excellent pressure and performance, and simple maintenance requirements.
Description
Feature
The PV2R12 Series Vane Pump is a Dual Stage (High Pressure and Low Pressure) Vane mechanism consisting of two PV2R Series single pumps of dissimilar specification (Size 1 and Size 2) within one housing and driven by a common drive shaft.
1. Through precision machining and optimizing the internal structure of the pump, it reduces noise and pulsation.
2. It contains two output circuits that allow different operational sequences and/or pressure control functions to be executed.
3. Generally, the volumetric efficiency is above 92%; the advanced design of the Vanes minimizes internal leakage, and thus reduces wear on the pump parts. The cartridge style design of the internal drive components allows for easy maintenance of the pump and reduces time spent maintaining the pump.
Specificiation

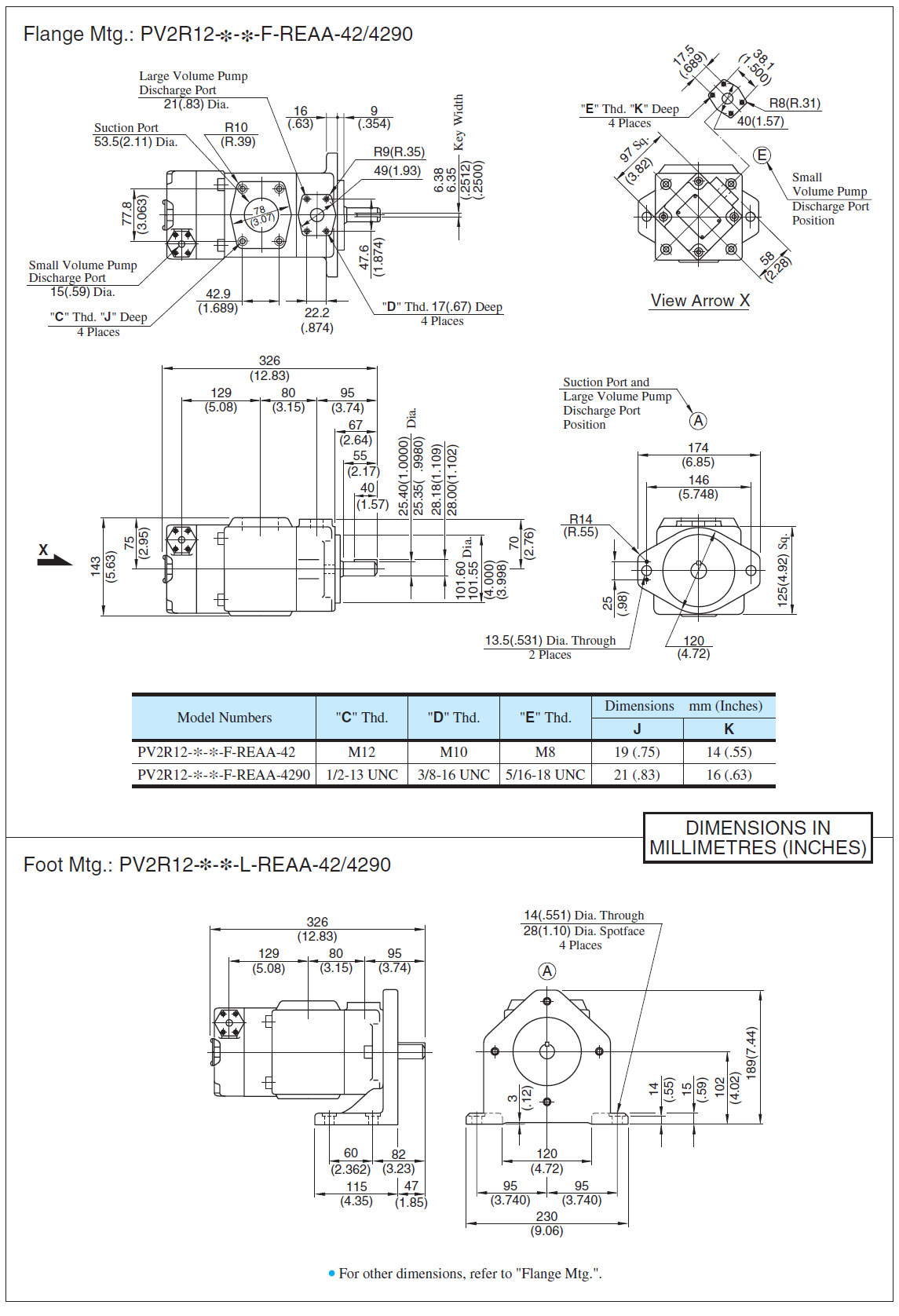
Dimension

Application
The PV2R12 is recognised throughout the industry as an effective means of controlling the operation of large scale hydraulic systems via its ability to maintain a stable mechanical connection between different hydraulic cylinders acting under different loadings; and as such it has become one of the most widely utilised types of valves for industrial applications requiring hydraulic power, including, for example:
1.Injection moulding and diecasting equipment – provides a method for rapidly switching between the two cooling phases of cooling-and-high-pressure-holding the mould.
2.Forging and stretching equipment – provides extremely stable hydraulic power.
3.Steel and ship-building industries – serves as a primary hydraulic power source for countless hydraulic power/control systems.
4.Industrial/environmental – such as waste plastics balers or metal chip compressors, etc.
Download







