Equivalent to Tokyo Keiki SQP21 Double Vane Pump 210 bar for Injection Molding Machine
The SQP21 double vane pump features a cartridge-style pump core that enables effortless maintenance; with its advantages of low noise and high efficiency, it perfectly meets the energy-saving requirements of high-pressure hydraulic systems, such as those found in injection molding machines.
Description
Feature
The SQP21 is a tandem-type, high-pressure double vane pump that is geared towards industrial settings where low noise levels are required. Some of its main performance characteristics are:
Super-Quiet Operation: Thanks to a special internal pulsation-damping structure, it runs quietly and steadily, thereby boosting the working environment.
High Pressure & High Efficiency: With an ability to function at pressure levels of up to around 21 MPa, this pump also has amazing volumetric efficiency, thereby guarantee uninterrupted power supply.
Convenient Maintenance: With a cartridge-kit type of configuration, fundamental components may be replaced without the need of removing the pump body, hence largely lowering the downtime.
Versatile Setup: The tandem pump is a mixture of pumps having different displacements, consequently the users can change outlet positions and flow configurations so as to satisfy various circuit requirements.
Longer Service Life: Its pressure-balanced design reduces the force of the vanes against the stator, in turn, it leads to excellent wear resistance and a longer life span.
Specificiation
| Parameter | Shaft End Pump | Cover End Pump |
| Model Series | SQP21 | SQP21 |
| Displacement Code | 21 | 11 |
| Theoretical Delivery at 1000 rpm / 0.7 MPa | 65.0 L/min | 35.0 L/min |
| Max. Working Pressure | 17.5 MPa | 17.5 MPa |
| Max. Speed | 1800 rpm | 1800 rpm |
| Min. Speed | 600 rpm | 600 rpm |
| Shaft End Configuration | Parallel square key (1) | — |
| Shaft End Delivery Port Position (viewed from cover end) | C: inline with suction port | — |
| Cover End Delivery Port Position (viewed from cover end) | — | C: 45° CW from suction port (inline with suction port) |
| Pump Mounting | Flange mounting (omit) | Flange mounting (omit) |
| Rotation (viewed from shaft end) | CW (omitted) | CW (omitted) |
| Shaft Torque Limitation | 360 N·m | — |
| Weight (SQP) | 31.5 kg | 31.5 kg |
| Seal Kit P/N | 40038623 | 40038623 |
| Shaft Seal P/N | VP191668 | VP191668 |
| Bearing P/N | 7062051 | 7062051 |
| Cartridge Kit A (Shaft End) | VA12092A | — |
| Cartridge Kit B (Cover End) | — | VA9033A |
| Piping Flange – Suction Port | 2-1/2″ | — |
| Piping Flange – No.1 Delivery Port (Shaft End) | 1″ | — |
| Piping Flange – No.2 Delivery Port (Cover End) | — | 3/4″ |
| *To view the entire series, please click the download button below. | ||
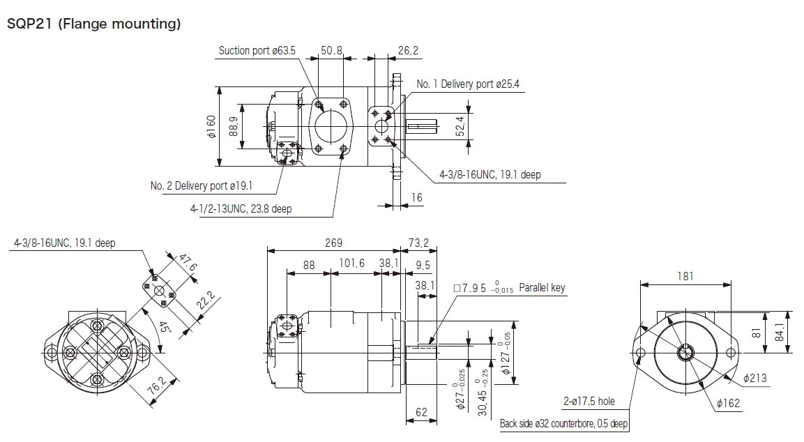
Dimension

Application
1. Plastics Machinery (Injection Molding Machines): The SQP21 double vane pump is capable of providing high-volume, low-pressure power during the mold-closing phase and then changes to high-pressure output during the pressure-holding phase, thus fulfilling the complex pressure-switching demands of the injection molding process.
2. Die-Casting and Metal-Forming Equipment: This pump is the first choice in die-casting machines for aluminum and magnesium alloy production and in small-scale hydraulic presses as well. The quiet SQP21 vane pump can hold a stable, high-pressure output for a long time, greatly lessening the noisy environment that is usual in die-casting workshops.
3. Precision CNC Machine Tools: The SQP21 is used in the hydraulic systems of machining centers, grinding machines, and modular machine tools to provide the power for the tool turret movement, worktable reciprocation, or workpiece clamping. Due to the very low output pulsation, it guarantees the operation smoothness and the machining accuracy of the machine tool.
4. Rubber and Footwear Machinery: The straightforward cartridge-kit design of the pump makes it highly compatible with production lines where maintenance resources are scarce, thereby allowing for quick repairs and reducing the downtime.





